
结构紧凑,坚固耐用,低噪音振动小,易维护保养周期长,排气洁净无油烟,适合多种工业领域应用设备配套。
法兰式电机直联驱动,保护标准IP55,绝缘等级F,IE2高效电机,先进的制造工艺生产,可连续性运行。
产品说明:
R系列油旋片真空泵是工业真空应用中的基本型真空设备,流量从40至300m3/h,内置油气分离器、真空逆止阀,气镇阀作为标准配置。
产品应用:
广泛应用于真空包装、橡胶成型、真空清洗、热成型、真空吸附、模具抽空、真空脱气、气体输送、医院等中央真空系统。


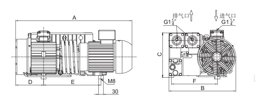
| 型 号 | A | B | C | D | E | F |
| R0063 | 648 | 410 | 290 | 148 | 322 | 280 |
| R0100 | 700 | 418 | 290 | 172 | 225 | 280 |
| 型 号 | R0063 | R0100 | ||
| 抽气速率 Nominal pumping | m3/h | 50Hz | 63 | 100 |
| 60Hz | 76 | 120 | ||
| 极限真空 Ultimate partial pressure | mbar(abs) | 0.5 | 0.5 | |
| 电机规格 Motor specifications | 3~ | 50Hz/60Hz | 220-415V/440-460V | 220-415V/440-460V |
| 电机功率 Motor rating | KW | 2.2 | 3 | |
| 电机转速 Motor speed | rpm | 50Hz | 1450 | 1450 |
| 平均噪音 Average noise level | dB(A) | 62 | 62 | |
| 油量 Oil | L | 2 | 2 | |
| 冷却方式 Cooling mode | 风冷 | 风冷 | ||
| 重量 Weight | Kg | 64 | 74 | |
真空过滤器、真空压力表、真空止回阀、液体分离器
Copyright © 2024 苏州莱福士真空设备有限公司 苏ICP备09053639号-1
苏公网安备32050602012531号
主营产品:变频油螺杆真空泵 油螺杆真空泵 油旋片真空泵 旋片式真空泵 中央真空系统